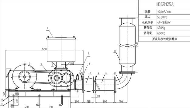
三葉羅茨風機圖紙(大文件)HDSR125HDSR175圖紙-免費下載
三葉羅茨鼓風機的圖紙文件華東風機小編分享的比較少,今天分享的圖紙不是CAD的制圖文件,為jpg圖片,如果您想轉換成其他格式的文件,如pdf,您可以用ps打開,然后另存為PDF格式的文件。羅茨風機
圖紙來源,華東風機客戶要采購兩個型號的風機,同時要圖紙,我們的工作人員給做出之后傳給了客戶,小編今天看到同時正好在傳此份圖紙,便和其要了一份,分享給大家,下載鏈接在文章末尾。

注意:該三葉羅茨風機圖紙為華東風機工作人員,根據自己風機的外形繪制而成,其中的一些參數也為華東風機的風機參數,為原創圖紙,如果您需要采購我們的風機,且需要圖紙,可以和我們的工作人員聯系,提圖紙的事情,我們的工作人員會根據您的型號參數繪制圖紙。
如果您有采購方面的問題,可以聯系我們的官方客服熱線4008-797-786
鏈接:http://pan.baidu.com/s/1nuAs8oL 密碼:5qb0
推薦閱讀:
此文關鍵字:三葉羅茨風機圖紙
最新產品
同類文章排行
- 三葉羅茨風機圖紙(大文件)HDSR125HDSR175圖紙-免費下載
- 農村污水處理羅茨風機150口徑的型號有那幾個?推薦
- 華東雙十一強力來襲,整月滿贈,禮包相送
- l95型二葉真空泵參數型號價格(文字版)匯總
- 脫硫氧化風機的工作原理(終結版)華東風機
- L94羅茨鼓風機(文字版)型號參數總結!
- 羅茨鼓風機大型號L93l93wd參數大全(文字版)
- 45kw至110kwL92羅茨風機參數詳情(文字版)
- L系列羅茨鼓風機之L82羅茨鼓風機參數詳情匯總(文字版)
- hchd系列回轉式風機功率有哪些參數的?資料大全
最新資訊文章
您的瀏覽歷史







