
【公告】華東風機網站所用產品、車間、發貨、案例等圖片均為現場實拍,部分圖片現已被多家同行盜用,為防廣大客戶上當受騙,特此告知!!!
▲氧化風機(三葉直連)

▍產品介紹:
葉輪采用漸開線型線,結構合理,整機效率高、材質優、壽命長、噪音低。采用強制潤滑,升壓高、轉子平衡精度高、振動小、長期運行安全可靠。主要零部件采用數控設備加工,齒輪采用5級精度,產品精度高,運行可靠。機殼、墻板采用中分結構,檢修方便。結構緊湊,體積小、重量輕、使用維護方便。
▍技術指標:
鼓風機流量:81.36-132.82m3/min;
升壓:9.8~98kPa;
電機功率:22kw-132kw。
▍產品參數:
更多參數詳詢:4008-797-786
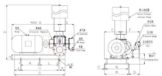
▍產品示意圖:

▍主要用途:
氧化風機主要作用是加快氧化速度,主要用于電力、鋼鐵冶煉、化工等行業。
華東氧化風機應用案例
▍其他用途:
氧化風機作為羅茨風機系列產品,廣泛應用于電力、化工、鋼鐵冶煉、水泥、氣力輸送、污水處理等部門和行業,輸送介質為清潔空氣。


▍氧化風機加工過程:




▍產品包裝與發貨:


氧化風機(皮帶傳動)
氧化風機(一體機)
高壓氧化風機
氧化風機(二葉)


