
下載地址鏈接:提取碼:zcog
以上圖紙為華東風機原創,存儲于百度網盤中,使用百度賬號進行提取即可。
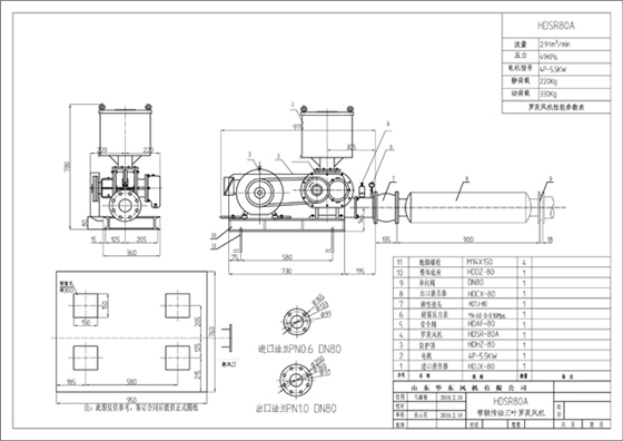
華東風機專業生產羅茨鼓風機,如果有任何問題,可以聯系我們的全國免費客服熱線4008-797-786
推薦閱讀:免費下載資料
2019年02月19日09:51

下載地址鏈接:提取碼:zcog
以上圖紙為華東風機原創,存儲于百度網盤中,使用百度賬號進行提取即可。
華東風機專業生產羅茨鼓風機,如果有任何問題,可以聯系我們的全國免費客服熱線4008-797-786
推薦閱讀:免費下載資料
污水處理廠必看:羅茨風機曝氣系統節能改造的5個黃金法則羅茨風機工作原理全解|三維動畫拆解+工程應用實例剖析水冷羅茨風機的五大核心優勢解析|工業節能領域首選設備羅茨風機日常保養黃金法則:18個關鍵操作延長3倍使用壽命鑫華東三葉羅茨風機|全球工業領域的節能標桿設備(附選型計算表)